Un convertisseur 12 Vcc vers 230 Vca ou onduleur
Convertisseur 12 Vcc vers 230 Vca ou onduleur:
Je suis un lecteur de votre revue depuis le début et, je vous le dis sans la moindre flatterie, ELM est de loin
la meilleure (en tout cas elle est la mieux adaptée à mes attentes) ; aussi je suis bien content qu’elle se maintienne dans la tourmente qui frappe actuellement la presse électronique. J’apprécie tout particulièrement
sa vocation didactique, parce que je crois que, si on cesse d’apprendre, eh bien on régresse, surtout quand il s’agit d’une discipline en perpétuelle innovation.
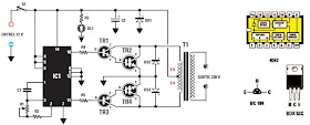
Bon, venons-en au vif du sujet (si vous me publiez, vous pourrez couper éventuellement la petite introduction qui précède). Comme le montre le schéma électrique de la figure 1, j’ai utilisé comme étage oscillateur le multivibrateur astable contenu dans IC1, un CMOS 4047 (série culte que cette série 40xx) : en faisant varier
la valeur ohmique du trimmer R1 (résistance totale 220 k) on peut faire varier la fréquence d’oscillation de 40 Hz à 70 Hz. Le signal carré, déphasé de 180°, sortant des broches 10-11 va piloter les deux transistors NPN TR1-TR3, lesquels pilotent à leur tour les finaux de puissance TR2- TR4. Les diodes DS2-DS3, montées sur les sorties des transistors TR2- TR4 servent à les protéger contre les pics de surtension apparaissant aux bornes des enroulements 9 V + 9 V du transformateur T1 .
Pour ce transformateur T1, j’ai utilisé un banal transformateur secteur (primaire 230 V donc) ayant un secondaire
double 2 x 9 V.
Le signal présent sur l’enroulement 230 V, même s’il n’est pas sinusoïdal et si sa fréquence n’est pas exactement
de 50 Hz, n’en permet pas moins d’alimenter la plupart des appareils électroniques : en effet, à l’intérieur de ceux-ci se trouve un transformateur secteur avec un primaire 230 V et des secondaires fournissant des tensions
qui sont ensuite redressées par des diodes de puissance, ce qui donne à la fin des tensions continues, souvent stabilisées (or ces dernières ne garderont aucun souvenir du signal carré de votre onduleur !).
Note de la rédaction :
Couper une introduction aussi chaleureuse? Certes non, il est tout de même permis de se faire plaisir quand cela est
légitime ! Merci pour votre fidélité : dans une discipline aussi changeante, c’est en effet une nécessité et c’est en tout cas une qualité. Le lecteur a oublié de préciser que les deux finaux de puissance TR2-TR4 doivent être montés sur un dissipateur de bonne taille, sans quoi, en charge, ils surchaufferaient. On peut choisir pour ces finaux des MJ4033 - MJ3007 ou d’autres encore, pourvu que ce soient des NPN. La puissance maximale prélevable
en sortie dépend de la dimension du noyau du transformateur T1, c’est-à-dire de sa puissance en VA : avec un 50 VA
on peut prélever sur le secondaire 230 V 0,2 A (le courant consommé par les finaux étant alors de 4 A) ; avec un 90 VA on peut prélever sur le secondaire 230 V 0,4 A (le courant consommé par les finaux étant alors de 7 A). Pour alimenter le circuit à partir de la batterie 12 V, il faudra prendre du fil d’au moins 1,8 millimètre de diamètre, afin d’éviter toute perte par effet Joule (échauffement dans les câbles dû à la résistivité des fils de trop petit diamètre).
Liste des composants :
R1 .......220 k trimmer
R2 .......330 k
R3 .......680
R4 .......2,2 k
R5 .......2,2 k
C1 .......4,7 nF polyester
C2 .......220 µF électrolytique
DS1.....1N4004
DS2.....1N4004
DS3.....1N4004
DL1.....LED
TR1 .....NPN BC184
TR2 .....NPN BDX53C
TR3 .....NPN BC184
TR4 .....NPN BDX53C
IC1 ......CMOS 4047
T1........transformateur secteur 80
VA primaire 230 V 0,35 A / secondaire 2 x 9 V 3,5 A
S1 .......interrupteur
meilleur iptv
